将知识实用化 将认知常识化
1、电压互感器
电压互感器,亦称PT,与变压器功能相似,主要功能是改变线路中的电压值。变压器的主要功能是改变电压以传输电能,因此其容量通常较大,通常以千伏安或兆伏安作为计量单位;相对地,电压互感器的主要作用是为测量仪表和继电保护设备提供电力,用于测量线路的电压、功率和电能,亦或是在线路出现故障时保护线路中的重要设备、电机以及变压器,所以电压互感器的容量相对较小,通常只有几伏安到几十伏安,最大容量也不超过一千伏安。该词条详细阐述了其构成要素、运作机制、不同种类、连接方法、操作要点、故障情况及应对措施,并对铁磁谐振现象进行了说明。

2、电压互感器的基本构成
电压互感器的构造与变压器大致相同,同样具备两个绕组,分别称为一次绕组和二次绕组。这两个绕组均被安置或缠绕在铁芯上。它们之间以及与铁芯之间均设有绝缘层,确保了两者间的电气隔离。在电压互感器运行过程中,一次绕组N1与线路并联,而二次绕组N2则与仪表或继电器并联。在测量高压线路电压的过程中,尽管初次测得的电压数值相当高,然而经过二次测量后,电压值则降至较低水平,从而有效保障了操作人员及仪表设备的安全。

3、电压互感器的工作原理
其运作机制与变压器相似,构造上主要由铁芯以及原边和副边绕组构成。其显著特点是容量较小且相对稳定,在正常工作状态下,几乎等同于无负载状态。
电压互感器内部阻抗极低,若副边出现短路现象,电流便会迅速上升,导致线圈被烧毁。因此,电压互感器的原边装有熔断器开yun体育app官网网页登录入口,副边则确保接地良好,以防原副边绝缘受损时,副边产生对地高电压,进而引发人身伤害或设备事故。
电压互感器通常设计为单相双线圈型式,其初级电压对应于待测电压,比如电网的相电压,既可独立作为单相使用,亦能通过两台互感器组合成V-V连接方式,实现三相测量。在实验室环境中,电压互感器常具备多个抽头,以便满足不同电压测量需求。此外,用于保护接地的电压互感器还额外配备了一个第三线圈,这种带有三个线圈的电压互感器被称为三线圈电压互感器。三相的第三线圈构成了一个开口三角形,该三角形的两个引出端分别与接地保护继电器的电压线圈相连接。
在电力系统正常运作期间,三相电压保持平衡,且第三线圈产生的三相感应电动势总和为零。然而,若出现单相接地故障kaiyun.ccm,中性点将发生偏移,导致开口三角形的端子间产生零序电压,进而触发继电器动作,以此实现对电力系统的保护功能。
当线圈检测到零序电压时,相应的铁芯内便会产生零序磁通。因此,此类三相电压互感器在10KV及以下电压等级时,会选用旁轭式铁心,或者采用三台单相电压互感器。对于此类互感器,虽然对第三线圈的精度要求并不严格,但必须具备一定的过励磁特性,也就是说,在原边电压上升的情况下,铁芯中的磁通密度也会按比例增加,同时不会导致损坏。
电压互感器是发电厂、变电所等输电及供电系统中不可或缺的设备。这种精密的电压互感器,主要在电测试验室使用,其功能在于扩展量限,以便于测量电压、功率和电能。它与变压器在外观上颇为相似,共同的作用是改变线路上的电压。

4、电压互感器的分类
(1)按安装地点可分为户内式和户外式
35kV及以下多制成户内式;35kV以上则制成户外式。
(2)按相数
可分为单相和三相式35kV及以上不能制成三相式。
(3)按绕组数目
该设备分为两种类型:双绕组和三绕组电压互感器。其中,三绕组电压互感器不仅包括一次侧和基本的二次侧,还额外配备了一组辅助的二次侧,这一侧专门用于接地保护。
(4)按绝缘方式
可分为干式、浇注式、油浸式和充气式。
干式电压互感器设计简洁,不具备起火或爆炸的风险,然而其绝缘能力相对较弱,仅适合用于6kV及以下电压等级的室内设备;而浇注式电压互感器结构紧密,便于维护,适用于3kV至35kV的室内配电系统;油浸式电压互感器绝缘性能更佳,能够应用于10kV以上的室外配电设施;充气式电压互感器则常用于充有SF6气体的全封闭电气设备中。
(5)按工作原理
电磁式电压互感器云开·全站体育app登录,它是一种基于电磁感应原理,能够按比例对电压或电流进行转换的装置。
电容式电压互感器,即CVT,它通过串联电容器进行分压,接着由电磁式互感器进行降压和隔离,主要用于表计、继电保护等领域。此外,电容式电压互感器还能将载波频率耦合至输电线,适用于长途通信、远程测量、线路高频保护的选择性应用、遥控以及电传打字等功能。

5、电压互感器的接线方式
电压互感器的常用接线方式有以下几种:
单项式接线适用于测量35kV及以下电压等级的中性点未直接接地系统的线路电压,亦可用于测量110kV及以上电压等级的中性点已直接接地系统的相对地电压。
将两台完全绝缘的单相电压互感器的高压和低压绕组,分别连接到相与相之间,形成了一个不完整的三角形结构,这就是V/V接线。这种接线方式在35kV及以下的中性点未接地或通过消弧线圈接地的三相高压系统中被广泛应用,尤其在10kV的三相系统中尤为常见。
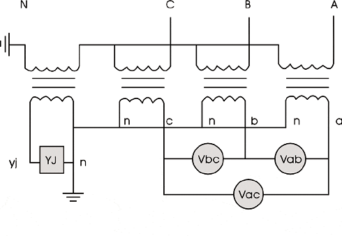
采用三台单相三绕组电压互感器,可以构建成YN、yn、d0或YN、y、d0的接线方式,这种形式在3至220KV的电力系统中得到了广泛的应用。这些电压互感器的二次绕组主要功能是测量相间电压以及相对地电压。此外,辅助的二次绕组被连接成开口三角形,以便接入交流电网的绝缘监视仪表和继电器。采用一台三相五柱式的电压互感器替换原先由三个单相三绕组电压互感器组成的接线方式,除了铁芯部分外,其整体结构与图3所示基本一致,通常适用于3至15KV的电压等级系统。
该电压互感器为三相三绕组五柱式,其一次绕组与主二次绕组连接成星形,且中性点实施接地处理;同时,辅助二次绕组则连接成开口三角形。因此,此类电压互感器能够测量线路电压以及相对地电压,且其辅助二次绕组还可用于接入交流电网绝缘监视的继电器与信号指示器。

6、电压互感器的注意事项
在电压互感器正式投入使用之前,必须依照既定规程对各项内容进行详尽的试验与检验。这包括但不限于测定极性、确认连接组别、进行绝缘测试以及核对相序等步骤。
电压互感器的接线必须确保其准确性,其一次绕组需与被测电路并联连接,而二次绕组则需与测量仪表、继电保护装置或自动装置的电压线圈并联,同时必须关注极性的正确性。
电压互感器二次侧所承载的负荷容量需适宜,且该负荷容量不应超出其额定值,否则将导致互感器误差增加,影响测量结果的准确性。
电压互感器的二次侧绝不能发生短路现象。鉴于电压互感器内部阻抗极低,一旦二次回路发生短路,将会产生巨大的电流,这不仅会损坏二次设备,还可能对人身安全构成威胁。因此,可以在电压互感器的二次侧安装熔断器,以防止因短路而损坏设备。在条件允许的情况下,一次侧也应安装熔断器,以保护高压电网不受互感器高压绕组或引线故障的影响,确保一次系统的安全。
为确保人们在接触测量仪表及继电器时不受伤害,电压互感器的二次绕组必须实施接地处理。如此一来,一旦一次侧与二次侧的绝缘出现故障,便能避免仪表和继电器产生高电压,从而保障人们的生命安全。
(6)电压互感器副边绝对不容许短路。



