一、桥涵水文基础知识
此类桥梁需确保洪水能够顺畅排放。在设计过程中,需对桥梁的基本尺寸进行精确设定,涉及桥孔的长度、桥面的高度以及基础的埋深等方面。这些尺寸的确定必须基于对设计使用年限内可能出现的最大洪水的综合考量,包括洪水的流量、流速以及水位等关键因素。
大、中桥设计流量推算
在进行设计流量的估算时,必须遵循《公路工程水文勘测设计规范》的相关规定,并结合所拥有的资料状况,挑选合适的计算途径。对于大中型河流,若拥有充足的实测流量数据,通常会优先使用水文统计法。然而,在缺乏实测流量数据的情况下,则更倾向于运用间接计算方法或经验公式来进行估算。
在计算过程中,需关注水文断面与桥梁位置之间的相互联系,确保准确计算出桥梁位置的设计流量以及设计水位。
小桥涵设计流量推算
桥梁和涵洞通常数据记录不足。为此,相关部门设立了众多小流域流量估算公式,并编制了相应的图表以供参考。在设计阶段,需采用多种计算手段进行对比分析。
常用的方法:形态调查法、暴雨推理法和直接类比法。
暴雨推理公式系依据设计规定的频率P直接推导出相应的洪峰流量Qp,而此计算所得的Qp正是拟建小桥涵的设计流量。
形态调查与直接类比两种方法仅能确定形态断面或现有小桥涵位置的流量Q‘p,因此,有必要将此流量折算至拟建小桥涵位置的相应设计洪峰流量Qp。
若条件允许,应采用多种计算手段进行相互验证,同时通过深化调查研究、搜集整理资料、开展科学实验等活动,探索出适合本地的计算方式,并依据实际情况来确立计算公式及相应参数。
桥位选择的一般规定
进行详尽的调查与实地考察。对于结构复杂的大型桥梁或特大型桥梁,必须实施物理探测和钻孔勘探;同时,需结合实际情况,积极听取相关部门的见解云开·全站体育app登录,经过全方位的分析与验证,最终确定并推荐合适的方案。
整体规划需与铁路、水力、航运、城市建设等领域相协调,注重文物保护、环境保护和军事设施的保护;同时,还需考虑到民众的利益,尽量减少对优质农田的占用,以及降低拆迁规模。
高速公路及一级公路上的特大桥、大桥、中桥的桥位线形需满足路线布局的标准。在布局上,应遵循路线的走向;同时,桥梁与道路的设计需统筹考虑;特别要关注在弯道、坡道、斜坡等复杂地形中桥梁的设计与施工所面临的挑战。
在确定特大桥位时,需遵循既定路线的大致走向,综合考虑河流的自然形态、水文条件、工程地质状况、通航需求、施工可行性以及当地工农业的发展规划等因素,在广泛范围内进行技术及经济方面的全面对比分析,以确定最佳方案。
(5)跨河位置、布孔方案等应征求水利、航运等部门的意见。
桥孔长度和桥孔布设
确定桥孔长度时,需确保其能够满足排洪和输沙的功能,同时还要兼顾安全与经济因素。此外,还需全面考虑桥孔长度、桥前壅水以及桥下冲刷三者之间的相互影响。
桥孔布设应与天然河流断面流量分配相适应。
在河流的主泓线上,即河道中水流速度最高的各横断面连成的线上,不宜设置桥墩。
桥面标高
桥梁的标高设计以及引道堤坝的标高设计,需在充分考量桥面纵向坡度、排水设施以及两岸路线的接合点标高之后,分别进行设定。这些标高必须确保不低于,或至少与通过水力水文计算得出的桥面中心最低点标高以及引道堤坝最低设计标高保持一致。
桥下冲刷
冲刷计算旨在找出桥梁下方可能出现的最大冲刷深度,进而确定桥梁基础的最小埋设深度。
桥梁墩台的侵蚀现象涵盖了河床自然变迁导致的侵蚀、常规侵蚀以及局部侵蚀三个层面。在决定基础埋设深度时,必须依据桥梁所在河段的具体情况,选取其中最不利的组合作为确定基础埋深的参考依据。

1)实心板
特点:形状简单、施工方便、建筑高
度小、结构整体刚度大;
不经济、自重大
适用:小跨度桥梁
跨径
2)空心板
特点:较实心板复杂、建筑高
度小、结构整体刚度大;
板内需配制钢筋
适用:小跨度桥梁
跨径6-13m,梁高0.4-0.8m
预应力:跨径13-20m,梁高0.4-0.85m

特点:制作简单,整体性好,接头方便;
截面形状不稳定,运输安装复杂,
对受力不利
跨径8-20m,预应力跨径25-50m
特点:抗弯惯矩大、抗扭刚度大、受
力比较均匀、施工或者运输时
稳定性好
适用:大跨度桥梁

按静力体系分
构造简单 :最易设计为各种标准跨径的装配式结构;
梁所受外力较为单一,其中仅存在正弯矩;其截面采用T形设计;在体系温度发生变动、混凝土收缩或徐变、以及张拉预应力作用下,梁内不会产生额外的内力。
静定结构 :结构内力不受地基变形的影响,对基础要求低
施工过程便捷:工序相对简少,架设操作顺畅,尤其在多孔简支梁桥的建造中,由于各个跨度的结构和尺寸均保持一致,这便大大简化了施工管理的流程,同时也有助于减少施工成本。

受力特点:相邻桥孔各自单独受力
适用:地基较差的桥址上
超静定结构 :基础不均匀沉降造成附加应力产生,对基础要求高
受力 :节点负弯矩的产生,减小跨中正弯矩,减少跨中建筑高度
结构 :刚度大,变形小,动力性能号,挠度小
适用:地基较好的桥址上

静定结构 :基础不均匀沉降不会造成附加应力产生
悬臂梁端承受的力导致负弯矩的形成,同时这一作用有助于降低跨中区域的正弯矩,进而减少跨中建筑的高度。

二、简支板桥的构造
整体式简支板桥的构造
整体式简支板桥通常选用等厚度板材,这种设计不仅整体性能优良,横向刚度显著,而且便于浇筑成不同形状,因此广泛应用于跨度在4至8米之间或外形不规则的桥梁建设,施工时多采用整体现浇的方式。
整体式简支板桥的跨度与板宽大致相等,在车辆荷载的作用下,桥梁呈现双向受力状态。当荷载位于桥的中线位置时,桥板内部将产生正向的弯矩;而当荷载位于桥板的两侧时,桥板内部则可能产生反向的弯矩。为了应对这些独特的受力情况,我们在桥板内除了布置纵向的受力钢筋外,还增设了与主钢筋垂直的横向分布钢筋,并在桥板的顶部合理配置了横向钢筋。
板心部分需按照计算所得的配筋量,在中间区域的2/3长度内进行布置,而在板的两端各1/6区域,配筋量需比中间部分的计算量多出15%。
主筋直径>10mm,间距
分布钢筋,直径>8mm,间距
该图展示了跨径为6米的钢筋混凝土整体式简支板桥的结构。桥面行车道宽度为7米,两侧各设有0.25米宽的安全带。计算得出的跨径长度为5.69米,实际净跨径为5.40米。桥面板的厚度为36厘米。在纵向主钢筋方面,采用了直径为18毫米的HRB335钢筋,而分布钢筋则使用了直径为10毫米的R235钢筋。至于桥跨结构的混凝土,其强度等级为C20。

装配式简支板桥构造
特点:形状简单、施工方便、建筑高度小、施工质量易于保证。
尺寸:跨径通常

特点:质量轻、运输安装方便、而建筑
高度又较同跨径的T梁小
尺寸:跨径通常6-13m,板厚为40-80cm;
预应力跨径8-20m,板厚40-70cm。


斜交板桥的受力特点与构造
1)整体式斜交板桥
按照主弯矩的变化趋势来布置主筋,而分布钢筋则与支撑边缘保持平行。鉴于钝角区域存在较大的反作用力和负弯矩开yun体育app官网网页登录入口,因此在钝角区域大约占据跨径五分之一范围内,应当增设加固钢筋。

在两个钝角交点所形成的区域内,主钢筋的走向与支撑边缘成直角,而在接近边缘自由端的部分,主钢筋则是沿着斜向跨越的径向进行布置,直至与中间区域的主钢筋实现无缝连接,此时其横向的分布钢筋与支撑边缘保持平行。其他钢筋的布置方式则与第一种设计方案保持一致。

2)装配式斜交板桥
主钢筋沿着斜跨径的方向进行布置,而分布钢筋则位于钝角角点所围成的区域内,且与主钢筋呈垂直状态。在靠近支撑边缘的位置,分布钢筋的布置方向与支撑边缘保持平行。
装配式钢筋混凝土斜板的标准图示中,其斜跨的跨度分别为3米、4米、5米、6米。斜交的角度包括25度、30度、35度、40度、45度、50度、55度和60度等。预制板在垂直于行车方向上的宽度为99厘米,厚度则在20至48厘米之间。

钢筋布置方式
当斜交角度介于25至35度之间时,主钢筋需沿斜跨方向进行布置,而分布钢筋则应沿着与支承边平行的方向进行配置。
第二种方案:钢筋布置同前页方案。


三、简支梁桥构造
简支T梁桥构造
1) 装配式钢筋混凝土简支T梁桥

梁的间距通常介于1.5至2.2米,而其高度通常是跨度的1/18至1/11。
梁肋宽度15-18cm。
翼缘板主要承担桥面全部的负荷,其板端厚度通常为8厘米;而在仅承受自身重量或暂时性负荷的情况下,板端厚度则减至6厘米。
横隔梁的设置间隔在5至6米之间,它们被安装在梁的中部以及四分点位置,其高度大约为主梁高度的3/4,而梁肋的宽度则介于12至16厘米。

主梁
主筋数量不得少于两根,并且其中至少20%的主钢筋需超出支撑截面;对于简支梁,两侧承受拉力的主钢筋需超出支点截面,并且需弯成直角,沿着梁端向上延伸至梁顶。
钢筋布置要求严格:直径介于6至10毫米之间,其间的距离不得超过腹板厚度或200毫米,在受压区域,间距需控制在300毫米以内,而在剪力较大的区域,钢筋间距应适当加大,保持在100至150毫米。
箍筋直径应大于等于8毫米kaiyun.ccm,且不得小于主筋直径的四分之一;其布置间距应控制在梁高的一半以内或40厘米之内;在支座附近,一倍梁高范围内的间距不得超过10厘米;且第一个箍筋与梁端的距离应为3厘米。
架立钢筋:10-14mm直径的钢筋。
保护层要求:主钢筋与梁底之间应保持3至5厘米的净距,主筋与侧面之间的净距不得少于2.5厘米,同时,混凝土与箍筋或分布钢筋之间的净距应确保不低于1.5厘米。
翼缘板
主筋:直径不小于10mm,每米板宽内不少于5根。
钢筋布置要求:其直径需达到6毫米以上,间距不得超过25厘米,且在每单位板宽内的截面积应至少为主筋截面积的15%,而在横隔梁区域,该比例应增至30%。
横隔梁
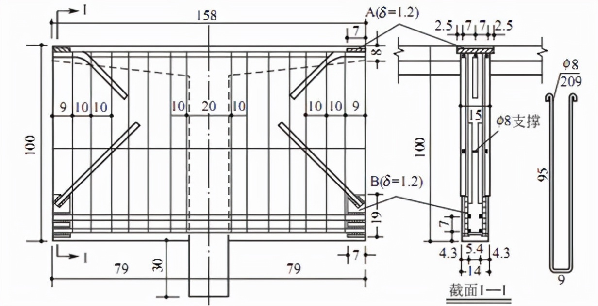
横隔梁的箍筋主要起到抗剪作用,其顶部翼板内部以及靠近底部边缘两侧都设有焊接钢板A和B,这些钢板与横隔梁的受力钢筋进行焊接,共同构成了安装骨架。待T梁安装到位后,我们会在横隔梁预先埋设的钢板上焊接钢板A和B,以此实现整体的连接。

钢板式连接
T梁的上方接头钢板位于翼板处,而下方接头钢板则置于横梁的两侧梁肋上,焊接的钢板事先与横隔梁的受力钢筋连接,形成安装的支架结构。待T梁安装到位后,便可以在横隔梁预埋的钢板上附加焊接钢盖板,从而实现整体的连接。

扣环式接头
预制横隔梁时,会在接缝处伸出钢筋扣环A,然后在相邻构件的扣环两侧额外安装腰圆形的接头扣环B,之后将短分布筋置入形成的圆环中,随后进行混凝土的浇筑封闭接缝,该接缝的宽度介于0.2至0.5米之间。

企口铰接式接头
主翼板内部延伸出连接用的钢筋,这些钢筋经过交叉弯曲处理,随后在接缝部位增设局部钢筋网,然后将这些钢筋与桥面的混凝土铺装层浇筑在一起。另外,也可以选择将翼板顶层的钢筋伸出,弯曲后套在长钢筋上,以此构成纵向铰接结构。


