介绍
DC切碎机电路是一种电源电子转换器设备,可将恒定电压直流转换为可调电压直流电源,也称为直流斩波器或
DC/DC转换器。使用斩波器实现直流转换的基本思想是,通过电力电子开关设备的快速开关控制,在某些过滤条件下,在负载下,将恒定的直流电压或电流切成一系列脉冲电压或电流。平均值可能小于或大于电源的电压或电流。如果更改了开关开关设备的频率,或者更改了开关开关设备的时间比,则可以更改此脉冲序列的脉冲宽度,以调整输出电压的平均值和当前的
目前开yun体育app官网网页登录入口,斩波器被广泛用于电牵引力。例如,对DC电动机(例如地铁,电车,手推车汽车和电池卡车)等直流电动机的速度速度调节。与传统的串联电阻电压调节方法相比,它不仅具有良好的启动和制动特性,而且还节省了大型DC接触器和大量功耗的变阻器,并大大减少了功率损失。 1
当晶状体VTH打开时,将电压施加到载荷上为UL = E,当VTH关闭时,它为零。如果周期为TE,则负载的平均电压为
te的地方 - 晶状体VTH的传导持续时间。
从上面的公式来看,我们可以看到有两种方法可以更改负载上的直流平均电压UL:
①时期TE是一个常数,而变化的TE称为脉冲宽度调制方法,即固定频率和调制宽度公式;
②TE是一个常数,更改周期TE的大小称为频率控制方法kaiyun.ccm,即固定宽度频率调制公式。

发展历史早在1940年,德国人就采用了机械开关的想法,以调整直流电压以控制直流电动机的速度。 1960年,美国人使用晶体管斩波器来控制柴油发电机的激发系统。 1963年,德国人使用晶闸管。斩波器用于控制电池车辆。在早期,它主要用于DC牵引速度控制系统,例如城市电车,地铁和电动汽车。随着自动击功率电子开关设备和脉冲宽度调制(PulseWidthModulation-PWM)技术的持续开发,DC斩波器具有显着的优势,例如高效率,小尺寸,轻巧和低成本。它们被广泛用于开关电源,新的技术领域,例如源功率因数校正和超导能源存储。一般而言,直流斩波器电路有两个不同的应用程序字段:一种类型的负载需要在一定范围内调整和控制输出电压,也就是说,电路需要可变直流电压的输出为了改变速度。 ,需要可变的直流电压以供电;另一种类型的负载要求电路的输出电压可以保持恒定,而不管电源电压发生变化还是负载变化,即输出恒定的直流电压,例如开关电源。根据反馈控制原则,可以通过某种类型的控制系统来实现这两个不同的要求。 3
类型有6种基本的切碎电路:拆卸电路,升级切碎电路,升级切碎电路,CUK切碎电路,SEPIC切碎电路和Zeta斩波电路。复合切碎电路 - 基本切碎电路与不同结构的组合。多相多回路 - 与相同结构的基本切碎电路组合。 2
工作模式有两种工作斩波器的方法:4
首先,脉冲宽度调制方法TS(周期)保持不变,并且更改了TON(一般,TON是每次开关打开开关的时间)。
第二个是频率调制方法,吨保持不变,TS更改(容易受到干扰)。
特定的电路分类有多种类型的直流斩波电路。根据其电路结构和功能分类,主要有四种基本类型:降压斩波电路,升压电路,降压(增压)切碎电路,Buck(Boost)切碎电路,Buck(Buck-Boost Chopping Circuit和Cuk Chopping Circuit云开·全站体育app登录,前两个是最基本的电路,后两个是前两个基本电路的组合。也可以形成切碎电路和多相多相电路。
1.雄鹿电路:一个降低的切碎机,其输出平均电压UO小于输入电压UI,并且输出电压与输入电压的极性相同。
2。升压电路:升压斩波器,其输出平均电压UO大于输入电压UI,并且输出电压与输入电压的极性相同
3。降压电路:降压或增压斩波器,其输出平均电压UO大于或小于输入电压UI,输出电压与输入电压相反,并且是传输电感器的。
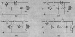
4。CUK电路:降低或增压斩波器,其输出平均电压UO大于或小于输入电压UI,输出电压与输入电压相反,电容器传输1。

在图中:(a)加速切碎电路; (b)CUK斩波电路; (c)缝隙斩波电路; (d)zeta斩波电路
当今的软开关技术的应用使DC/DC成为定性的飞跃。由Vicor设计和制造的各种ECI软开关DC/DC转换器的最大输出功率为300W,600W,800W等,相应的功率密度为(6、2、10、17)w/w/w/w/ cm^3,效率为(80-90)%。日本的NemicLambda公司使用软开关技术推出了新的高频开关电源模块RM系列。它的开关频率是(200-300)kHz,其功率密度已达到27W/cm^3。它使用同步整流器(MOS-FET代替。Schottky二极管)将电路的整体效率提高到90%。 1
主动功率因数校正(PFC)原则上,主动功率因数校正可以采用任何DC斩波器电路的拓扑结构,例如Buck,Boost,Sepic和Cuk。以下是一个提升电路,作为介绍使用峰值电流控制方法实现的活动功率因数校正(PFC)的工作原理的示例。主电路由单相桥梁整流器和嘘声斩波器电路组成。虚拟帧是PWM控制电路,包括:电压误差放大器,当前误差放大器,乘数,PWM发生器和驱动器等。负载可以是电阻和电阻电感。或开关电源等。5
PFC的工作原理如下:在给定的参考电压UREF与检测电路转换的输出电压UO进行比较之后,输入电压误差被放大;将整流电压UD的检测值和电压误差放大器的输出信号添加到乘数的输入中。乘数的输出用作当前反馈控制的参考信号。与输入电流检测值进行比较后,生成了PWM信号。通过扩增和隔离为控制开关设备t的启用,为IGBT提供了删除驱动信号,从而使输入电流的波形(即,电感器电流)IL基本上与整流的波形一致电压UD,从而增加输入端子处的功率因数。
在大多数DC速度调节控制系统中,DC电压和速度调节系统中等容量,直流电动机电枢电压通常用于调整直流电动机以实现速度调节的目的。有两个常用的速度调节方案:一种是使用可控的整流器电路(例如晶闸管整流器电路)来获得可调节的直流电压以提供电动机;另一个是使用不可控制的整流器电路获得恒定的直流电压,然后通过切碎执行DC压力调节。

